Philips BHL 250 L307 230 240V 50Hz BC2-134
Hulp nodig?
Neem contact op met onze lichtexperts voor vrijblijvend advies.- Gratis verzending vanaf € 149 incl. BTWGratis verzending vanaf € 123 excl. BTW
- Zakelijke klant? Koop op rekening
- Gemakkelijk retourneren binnen 14 dagen
Specificaties
|
i
De aanbevolen hoeveelheid verwijst naar het aantal producten dat door de fabrikant is voorverpakt. Wanneer je deze hoeveelheid koopt, leveren wij de producten in het originele pakket van de fabrikant.
|
Aantal in omdoos | 6 |
|---|
| Artikelnummer | 180303 | |
|---|---|---|
| EAN | 8711500881588 | |
| Merk | Philips | |
| Fabrikantnaam | BHL 250 K307-A2 230/240V 50Hz BC2-134 | |
|
i
Onze All-in garantie is volledig in de productprijs inbegrepen en dekt zowel verborgen gebreken als technische gebreken van het product die zijn opgetreden vóór levering. De garantietermijn verschilt per product en loopt uiteen van 1 jaar tot maximaal 7 jaar.
|
Lampdirect All-in garantie | 1 jaar |
|
i
De techniek geeft de werkingsbasis van een lichtbron aan. Het meest bekende en energiezuinige voorbeeld hiervan is LED. Andere technieken zijn onder andere halogeen, gasontlading, TL (fluorescerend) en de gloeilamp.
|
Techniek | Accessoire |
|---|---|---|
| Geschikt voor lamptype | HPI, HPL, SON-H | |
| VSA voor lamptype | HPI, HPL, SON-H | |
| Maximale Wattage Lamp | 250 | |
|
i
Wanneer je verlichting dimt, hoeft er niet het volledige vermogen te worden gebruikt. Je bespaart daardoor dus extra aan energiekosten. Ook kun je met dimbare lampen een extra gezellige sfeer creëren. Hou er rekening mee dat je voor het dimmen van LED verlichting een LED dimmer nodig hebt. Meer weten over het dimmen van verlichting? Lees dan onze blog.
|
Dimbaar | Niet Dimbaar |
| Aantal lichtpunten | 1 | |
|
i
Verlichting met een sensor brandt enkel wanneer deze een bepaald signaal krijgt. Dit zorgt voor minder energiekosten. De (ingebouwde) sensoren reageren op duisternis (schemerschakelaar) en/of op beweging (bewegingssensor).
|
Sensortype | Geen sensor |
|
i
Met deze filter kun je jouw zoekopdracht verfijnen door specifieke soorten lichtbronnen te selecteren. Kies uit opties zoals LED-lampen, LED-buizen of LED-spots om de perfecte verlichtingsoplossing voor uw behoeften te vinden.
|
Type product | Accessoires - VSA HID Lampen |
| EOC8 | 88701300 | |
|---|---|---|
| Product Serie | HID | |
| Input Voltage (V) | 230 |
Beschrijving Philips BHL 250 L307 230 240V 50Hz BC2-134
De Philips BHL 250 L307 230 240V 50Hz BC2-134 tegen de beste prijs bij Lampdirect! Philips 1e keus in grote hoeveelheden en tegen aanzienlijke kortingen! Aarzel niet om ons te contacteren!
Karakteristieken Philips BHL 250 L307 230 240V 50Hz BC2-134
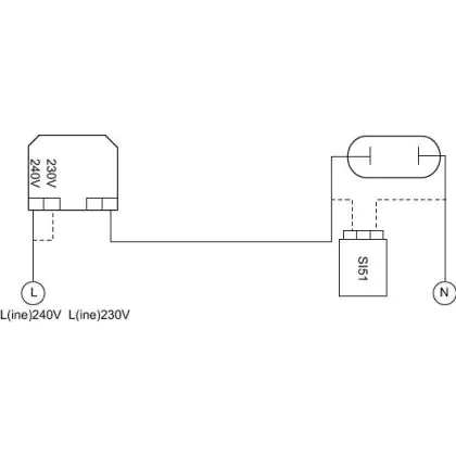
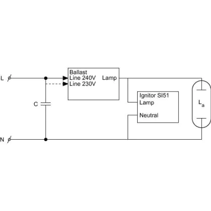
De Philips HID-Basic BHL (HPL/HPI) is een voorschakelapparaat, ontworpen voor kwiklampen (HPL) zonder ontsteker. Kan ook gebruikt worden voor HPI-lampen met een ontsteker.
Op de Philips BHL 250 L307 230 240V 50Hz BC2-134 kunt u 1 lamp installeren. Wanneer u een voorschakelapparaat zoekt voor de HPL-HPI van 250W, dan is dit het product voor u! Dit vsa is geïmpregneerd.
Waar is de Philips BHL 250 L307 230 240V 50Hz BC2-134 te gebruiken?
De Philips BHL 250 L307 230 240V 50Hz BC2-134 kunt u gebruiken op vele diverse plaatsen in buitenverlichting. Voornamelijk in weg- en tunnelverlichting.